Note
Click here to download the full example code
Surface Pins Example¶
This is an example of using surface_pins to bring pins to the top module. Although this example surfaces detector’s pins in DWC, other pins can be surfaced as well (e.g. a flipflop’s reset pin)
First, parse the original netlist and specify what to replicate.
netlist = sdn.load_example_netlist_by_name('hierarchical_luts')
uniquify(netlist)
hinstances_to_replicate = list(netlist.get_hinstances(recursive=True, filter=lambda x: x.item.reference.is_leaf() is True))
instances_to_replicate = list(x.item for x in hinstances_to_replicate)
hports_to_replicate = list(netlist.get_hports(filter = lambda x: (not "clk" in x.name)is True))
ports_to_replicate = list(x.item for x in hports_to_replicate)
Then find the detector insertion points. This is done manually in this example by going to the bottom hierarchical level and getting the instance’s output pins.
insertion_points = []
for instance in netlist.get_instances():
if 'sub1' in instance.parent.name:
insertion_points.append(next(instance.get_pins(selection=selection.Selection.OUTSIDE,filter=lambda x: x.inner_pin.port.direction is sdn.OUT)))
Replicate and insert detectors
replicas = apply_nmr([*instances_to_replicate, *ports_to_replicate], 2, name_suffix='DWC', rename_original=True)
detectors = insert_organs(replicas, insertion_points, XilinxDWCDetector(), 'DETECTOR')
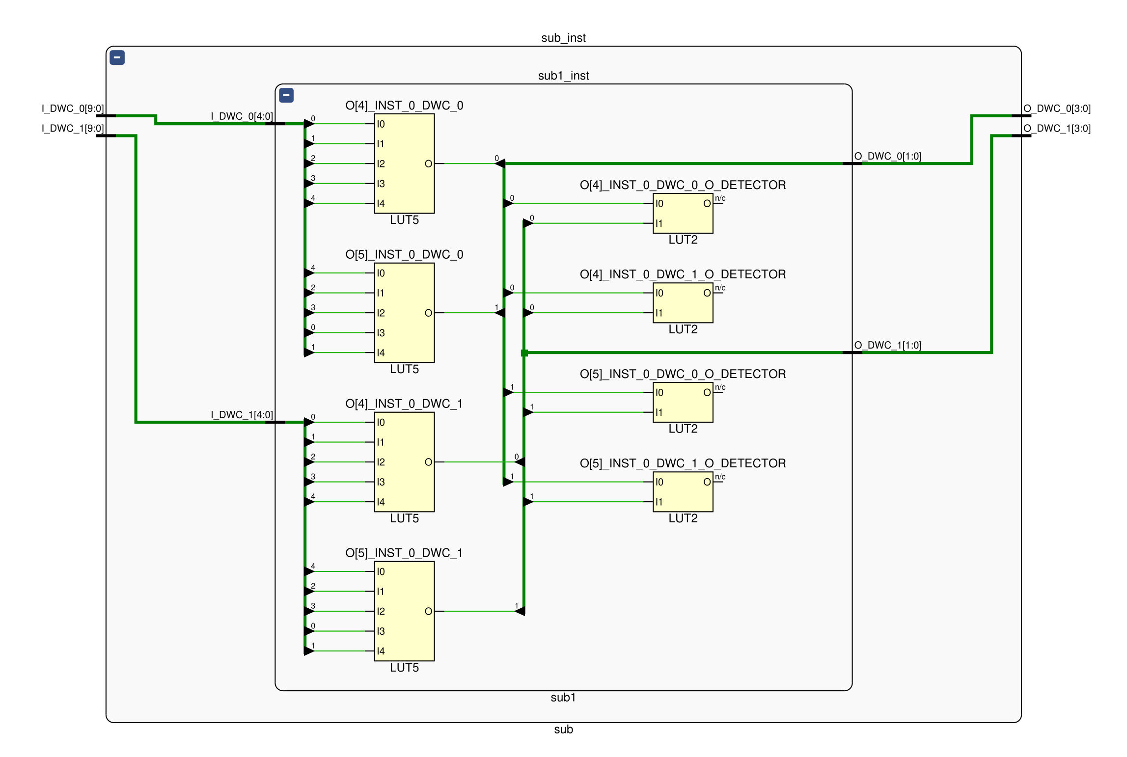
As seen in the schematic below, the detector’s output are not connected, and they are buried some levels down in hierarchy. The surface_pins functions provides an easy way to brings the detectors’ output pins up to the top level.
Specify which pins to surface and call surface_pins to bring them to the top level module. Do this by taking the return of insert_organs() and getting all output pins of the instances (which are the organs that were inserted). Compose the resulting netlist.
pins_to_surface = []
for key in detectors.keys():
pins_to_surface += list((next(x.get_pins(selection=Selection.OUTSIDE,filter=lambda x:(x.inner_pin.port.direction is sdn.OUT)))) for x in voters[key])
surface_pins(pins_to_surface)
netlist.compose("hierarchical_luts_dwc_detectors.edf")
See the resulting schematic.
See the full code below
import spydrnet as sdn
from spydrnet.uniquify import uniquify
from spydrnet.util.selection import Selection
from spydrnet_tmr import apply_nmr, insert_organs
from spydrnet_tmr.transformation.replication.organ import (
XilinxDWCDetector,
)
from spydrnet_tmr.transformation.surface_pins import surface_pins
def run():
netlist = sdn.load_example_netlist_by_name("hierarchical_luts")
uniquify(netlist)
hinstances_to_replicate = list(
netlist.get_hinstances(
recursive=True, filter=lambda x: x.item.reference.is_leaf() is True
)
)
instances_to_replicate = list(x.item for x in hinstances_to_replicate)
hports_to_replicate = list(
netlist.get_hports(filter=lambda x: (not "clk" in x.name) is True)
)
ports_to_replicate = list(x.item for x in hports_to_replicate)
insertion_points = []
for instance in netlist.get_instances():
if "sub1" in instance.parent.name:
print(instance.name, "of", instance.parent.name)
insertion_points.append(
next(
instance.get_pins(
selection=Selection.OUTSIDE,
filter=lambda x: x.inner_pin.port.direction is sdn.OUT,
)
)
)
replicas = apply_nmr(
[*instances_to_replicate, *ports_to_replicate],
2,
name_suffix="DWC",
rename_original=True,
)
detectors = insert_organs(
replicas, insertion_points, XilinxDWCDetector(), "DETECTOR"
)
pins_to_surface = []
for key in detectors.keys():
pins_to_surface += list((next(x.get_pins(selection=Selection.OUTSIDE,filter=lambda x:(x.inner_pin.port.direction is sdn.OUT)))) for x in detectors[key])
surface_pins(pins_to_surface)
netlist.compose("hierarchical_luts_dwc.edf")
run()
Total running time of the script: ( 0 minutes 0.000 seconds)

